Zhejiang Sehnaider Electric Co. , Ltd.
Zhejiang Sehnaider Electric Co. , Ltd.
สินค้า
BH-0.66-50 หม้อแปลงไฟฟ้าปัจจุบัน
  • BH-0.66-50 หม้อแปลงไฟฟ้าปัจจุบันBH-0.66-50 หม้อแปลงไฟฟ้าปัจจุบัน

BH-0.66-50 หม้อแปลงไฟฟ้าปัจจุบัน

หม้อแปลงปัจจุบัน BH-0.66-50 เป็นเครื่องมือที่มีความแม่นยำซึ่งออกแบบมาสำหรับการวัดและการตรวจสอบกระแสไฟฟ้าที่แม่นยำในการใช้งานอุตสาหกรรมต่างๆ ด้วยกระแสไฟฟ้าที่ได้รับการจัดอันดับ 50A และอัตราส่วนการเปลี่ยนแปลงที่ 0.66 หม้อแปลงเหล่านี้ให้ความสามารถในการวัดปัจจุบันที่เชื่อถือได้และแม่นยำ

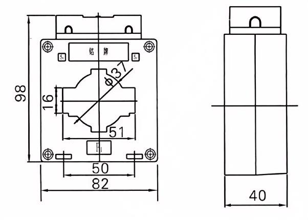
หม้อแปลงไฟฟ้าปัจจุบันของอีพ็อกซี่เรซิ่นหรือปลอกพลาสติกในร่มหม้อแปลงกระแสไฟฟ้า

•เฟสเดียวสองเฟสหรือสามเฟส

•แรงดันไฟฟ้าที่ได้รับการจัดอันดับ: 0.66kV

•คลาสการวัดแสงสำหรับ CT: 0.2s, 0.2,0.5, 0.5s

•มาตรฐาน: IEC61869-2

•ชื่อชื่อ: BH-0.66-50

หม้อแปลงกระแสไฟฟ้าแห้งในร่มนี้ใช้ใน 0.66kV, 0.75kV ระบบพลังงานสำหรับการวัดและการป้องกัน

มันถูกใช้ในสวิตช์ห้องเล็กหรือในสถานีสลับเบย์ที่ติดตั้ง

หม้อแปลงกระแสไฟฟ้า BH-0.66-50 ทำจากอีพอกซีเรซินในร่มอุณหภูมิสูงแกนโลหะผสมอสัณฐานสำหรับการวัดแสงและคุณภาพสูงภายในแกนกลางสำหรับการป้องกันการใช้งานหลักและรองทองแดงอิเล็กโทรไลติกบริสุทธิ์


แอปพลิเคชัน:

ระบบจำหน่ายพลังงาน

ระบบการจัดการพลังงาน

การตรวจสอบอุปกรณ์อุตสาหกรรม

ระบบพลังงานทดแทน


1. วัสดุพรีเมี่ยม

แกนเกรดสูง: เหล็กซิลิคอนที่มีความแม่นยำ-ลามิเนตหรือแกนนาโนคริสตัลสำหรับการสูญเสียน้อยที่สุดและความเป็นเส้นตรงสูง  

ฉนวนที่แข็งแกร่ง: การออกแบบอีพ็อกซี่เรซินช่วยให้มั่นใจได้ถึงความมั่นคงในระยะยาวในสภาพแวดล้อมที่รุนแรง  


2. ประสิทธิภาพที่เหนือกว่า

ความแม่นยำ: ชั้น 0.2/0.5 สำหรับการวัดแสง, 5p/10p สำหรับการป้องกัน, สอดคล้องกับ IEC 61869, 60044, IEEE และมาตรฐาน ANSI  

ช่วงกว้าง: รองรับระบบ 0.6kV-36kV พร้อมอัตราส่วน/ความถี่ที่กำหนดเอง (50/60Hz)  

การเพิ่มขึ้นของความร้อนต่ำ: การออกแบบที่ดีที่สุดช่วยลดความร้อนสูงเกินไปยืดอายุการใช้งาน  

EMC Immunity: ป้องกันการรบกวนแม่เหล็กไฟฟ้าสำหรับสัญญาณที่เชื่อถือได้  


3. บริการและการสนับสนุน

โซลูชันที่กำหนดเอง: อัตราส่วนขนาดหรือตัวเชื่อมต่อที่ปรับแต่ง (เช่นราง DIN, เทอร์มินัล IEC)  

การรับรองทั่วโลก: IEC, CE, ISO และการอนุมัติกริดท้องถิ่น  

ความช่วยเหลือด้านเทคนิคตลอดชีวิต: การสนับสนุน 24/7 คำแนะนำการติดตั้งและการจัดหาชิ้นส่วนอะไหล่  

การจัดส่งที่รวดเร็ว: ผลิตภัณฑ์มาตรฐานใน 2-4 สัปดาห์; ตัวเลือกเร่งด่วนสำหรับความต้องการเร่งด่วน  


พารามิเตอร์หลักทางเทคนิค

ให้คะแนนหลัก
ปัจจุบัน (a)
ความแม่นยำ
ชั้นเรียน
การผสมผสาน
จัดอันดับผลลัพธ์รอง (VA) กระแสความร้อน 1S (KA) จัดอันดับกระแสพลวัต (KA)
0.2 (s) 0.2 0.5 10p10
5-40 0.2/10p10
0.5/10p10
/ 10 10 15 90LIN 220LIN
5-40 100Lin 250Lin
5-40 20 50
5-40
5-40 36 90
10
5-40 45 100
5-40 56 100
5-40
5-40 80 110
5-40 100 110




แท็กยอดนิยม: BH-0.66-50 หม้อแปลงไฟฟ้าปัจจุบัน
ส่งคำถาม
ข้อมูลติดต่อ
หากคุณมีคำถามใด ๆ เกี่ยวกับใบเสนอราคาหรือความร่วมมือโปรดส่งอีเมลถึงเราที่ river@dahuelec.com หรือใช้แบบฟอร์มสอบถามข้อมูลต่อไปนี้ ตัวแทนขายของเราจะติดต่อคุณภายใน 24 ชั่วโมง ขอบคุณสำหรับความสนใจในผลิตภัณฑ์ของเรา
X
เราใช้คุกกี้เพื่อมอบประสบการณ์การท่องเว็บที่ดีขึ้น วิเคราะห์การเข้าชมไซต์ และปรับแต่งเนื้อหาในแบบของคุณ การใช้ไซต์นี้แสดงว่าคุณยอมรับการใช้คุกกี้ของเรา นโยบายความเป็นส่วนตัว
ปฏิเสธ ยอมรับ