Zhejiang Sehnaider Electric Co. , Ltd.
Zhejiang Sehnaider Electric Co. , Ltd.
สินค้า
BH-0.66-60 Transformers ปัจจุบัน
  • BH-0.66-60 Transformers ปัจจุบันBH-0.66-60 Transformers ปัจจุบัน

BH-0.66-60 Transformers ปัจจุบัน

หม้อแปลงปัจจุบัน BH -0.66-60 ใช้วัสดุ PC Flame - สารหน่วงและวัสดุที่เป็นแม่เหล็ก - วัสดุที่นำไปใช้เป็นแกน toroidal ที่อบอ่อนเพื่อให้แน่ใจว่าความแม่นยำของผลิตภัณฑ์ที่ระดับ 0.2 และ 0.5 สำหรับระดับความแม่นยำสูงเช่น 0.2s และ 0.5s มีเพียงแม่เหล็กตัวนำยิ่งยวดเท่านั้นที่สามารถตอบสนองความต้องการความแม่นยำดังกล่าวได้

BH-0.66-60 Transformers ปัจจุบันใช้กับระบบพลังงานที่มีความถี่ที่ได้รับการจัดอันดับ 50Hz และแรงดันไฟฟ้า 0.66kV, 0.69kV, 0.5kV และต่ำกว่าสำหรับการวัดพลังงานไฟฟ้าการวัดปัจจุบันและการป้องกันการถ่ายทอด


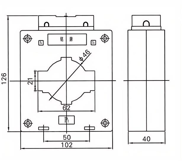
หม้อแปลงปัจจุบันของ Dahu นี้ใช้สำหรับใช้ในร่มติดตั้งภายในตู้กระจายสินค้าและกล่อง มันมีการออกแบบวงจรแม่เหล็กแบบใหม่วิธีการชดเชยขั้นสูงเทคนิคการประมวลผลที่ยอดเยี่ยมประสิทธิภาพที่ปลอดภัยและเชื่อถือได้และรูปลักษณ์ที่เล็กและสวยงาม


เปลือกนอกทำจากเปลวไฟที่มีความแข็งแรงสูง - พีซีสารหน่วงที่มีโครงสร้างที่ปิดสนิทและระดับเปลวไฟ - สารหน่วงของ V1 แกนภายในทำจากแผ่นเหล็กซิลิกอนที่มีคุณภาพสูง เส้นผ่านศูนย์กลางของลวดถูกเลือกอย่างเคร่งครัดตามความหนาแน่นกระแสทางเศรษฐกิจเพื่อให้แน่ใจว่าอุณหภูมิเพิ่มขึ้นน้อยลง ด้วยอุปกรณ์ทดสอบขั้นสูงและเชื่อถือได้ทำให้มั่นใจได้ว่าการปฏิบัติตามมาตรฐานคุณภาพ


มันมีประเภทรูสี่เหลี่ยมและรอบเหมาะสำหรับรูท - รูทหรือหลาย - หลาย - การเจาะสายเคเบิลรูทหรือการเจาะรูบัสรูตเดี่ยว มันมีซีรี่ส์ผลิตภัณฑ์ที่สมบูรณ์ข้อกำหนดที่หลากหลายและช่วงแอปพลิเคชันที่หลากหลาย


แอปพลิเคชัน

การตรวจสอบและการวัดพลังงาน

การป้องกันวงจรและการประสานงานการถ่ายทอด

ระบบอัตโนมัติอุตสาหกรรมและระบบกริดอัจฉริยะ

ข้อกำหนดทางเทคนิค

แรงดันไฟฟ้าอันดับ: 0.66kV

ความถี่: 50/60Hz

ระดับความแม่นยำ: 0.5, 1.0 (ปรับแต่งได้)

ระดับฉนวน: 3kV/นาที


พารามิเตอร์หลักทางเทคนิค

ให้คะแนนหลัก
ปัจจุบัน (a)
ความแม่นยำ
ชั้นเรียน
การผสมผสาน
จัดอันดับผลลัพธ์รอง (VA) กระแสความร้อน 1S (KA) จัดอันดับกระแสพลวัต (KA)
0.2 (s) 0.2 0.5 10p10
5-40 0.2/10p10
0.5/10p10
/ 10 10 15 90LIN 220LIN
5-40 100Lin 250Lin
5-40 20 50
5-40
5-40 36 90
10
5-40 45 100
5-40 56 100
5-40
5-40 80 110
5-40 100 110


แท็กยอดนิยม: BH-0.66-60 Transformers ปัจจุบัน
ส่งคำถาม
ข้อมูลติดต่อ
หากคุณมีคำถามใด ๆ เกี่ยวกับใบเสนอราคาหรือความร่วมมือโปรดส่งอีเมลถึงเราที่ river@dahuelec.com หรือใช้แบบฟอร์มสอบถามข้อมูลต่อไปนี้ ตัวแทนขายของเราจะติดต่อคุณภายใน 24 ชั่วโมง ขอบคุณสำหรับความสนใจในผลิตภัณฑ์ของเรา
X
We use cookies to offer you a better browsing experience, analyze site traffic and personalize content. By using this site, you agree to our use of cookies. Privacy Policy
Reject Accept