ระดับความแม่นยำสูง 0.5 - ให้การวัดปัจจุบันที่แม่นยำสำหรับการวัดแสงและการตรวจสอบแอปพลิเคชัน
ช่วงการวัดที่กว้าง - รองรับอัตราส่วนกระแสไฟฟ้าหลายอัตราเพื่อรองรับเงื่อนไขการโหลดต่างๆ
การออกแบบขนาดกะทัดรัดและน้ำหนักเบา - ง่ายต่อการติดตั้งในพื้นที่แคบโดยไม่ลดทอนประสิทธิภาพ
ความเสถียรทางความร้อนที่ยอดเยี่ยม - ทำให้มั่นใจได้ว่าการทำงานที่มั่นคงแม้ภายใต้อุณหภูมิที่ผันผวน
ฉนวนกันความร้อนและความปลอดภัยที่แข็งแกร่ง - สอดคล้องกับมาตรฐานความปลอดภัยของอุตสาหกรรมให้การป้องกันที่เชื่อถือได้จากความผิดพลาดทางไฟฟ้า
แอพพลิเคชั่นอเนกประสงค์ - เหมาะสำหรับใช้ในแผงจำหน่ายพลังงานระบบอัตโนมัติอุตสาหกรรมและระบบพลังงานหมุนเวียน
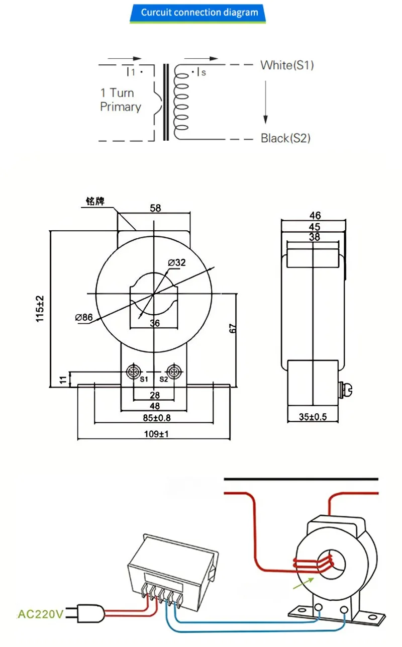
จัดอันดับกระแสหลัก: ปรับแต่งได้ (เช่น 5a ~ 2000a)
จัดอันดับกระแสรอง: 5a หรือ 1a (มาตรฐาน)
ระดับความแม่นยำ: 0.5
ความถี่: 50Hz/60Hz
ระดับฉนวน: สูงถึง 3kV
อุณหภูมิการทำงาน: -25 ° C ถึง +70 ° C
การวัดพลังงานและการตรวจสอบพลังงาน
รีเลย์ป้องกันและเบรกเกอร์วงจร
ระบบไฟฟ้าอุตสาหกรรมและเชิงพาณิชย์
การติดตั้งพลังงานแสงอาทิตย์และพลังงานลม

ที่อยู่
Ziangyang Industrial Zone, Yueqing, Zhejiang, China
โทร
อีเมล